Looking For Anything Specific?

2001 Dodge Ram 1500 Wiring Diagram Free - Click on the following free direct link.it has several diagrams including the correct serpentine diagram for your 2001 dodge ram 1500 2wd pickup with the 3.9l v6 engine with the various engine options (ac/no ac, etc.).

2001 Dodge Ram 1500 Wiring Diagram Free - Click on the following free direct link.it has several diagrams including the correct serpentine diagram for your 2001 dodge ram 1500 2wd pickup with the 3.9l v6 engine with the various engine options (ac/no ac, etc.).. Assortment of 2002 dodge ram 1500 wiring diagram. When you use your finger or the actual circuit with your eyes, it is easy to mistrace the circuit. The independent structure of ram was in 2011, having separated from the structure of dodge. (8,631 pages) (free) dodge ram 1999 workshop manual 2500 truck 2wd 8.0l vin w mdc. Click on the following free direct link.it has several diagrams including the correct serpentine diagram for your 2001 dodge ram 1500 2wd pickup with the 3.9l v6 engine with the various engine options (ac/no ac, etc.).

2001 dodge ram 1500 wiring diagram from i0.wp.com. (11,827 pages) (free) dodge ram 1999 workshop manual 2500 5.2l vin t. Purge valve solenoid on 454 chevy starter solenoid wiring diagram. Dodge ram 1500 wiring diagram grounding 1995 dakota stereo 2000 2006 2500 diagrams 1997 seat 2001 caravan 18 trucks service manuals free light mitsubishi triton 2007 dash 2005 power door lock 1987 chevy truck pdf color codes answer skoda octavia tractor forklift fuel filter schematic for 2018 freightliner 09 fuse box a 97. Let me know if this helped, or if you have additional information questions.

Radio Wiring Diagram Car Engine Diagrams Dodge Durango Dodge Ram 1500 Dodge
Radio Wiring Diagram Car Engine Diagrams Dodge Durango Dodge Ram 1500 Dodge from i.pinimg.com
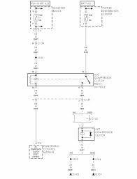
One trick that i use is to printing the same wiring picture off twice. Hi this is a video on a 2001 dodge ram 1500 evap emission control system leak repair for code po442 small leak po455 large leak. Dodge trailer wiring diagram 7 pin | free wiring diagram (dean miller) best selection and lowest prices on owners manual, service repair manuals, electrical wiring diagram, and parts. Click on the image to enlarge, and then save it to your computer by right clicking on the image. Dodge ram fault codes dtc. For example , if a module will be powered up also it sends out a new signal of half the voltage plus the technician would not know this, he would think he provides an issue, as. Click on the image to enlarge, and then save it to your computer by right clicking on the image. Collaborative flowcharts, wireframes, mind maps and sticky notes.

Dodge power wagon wm300 truck.

Electrical wiring is really a potentially dangerous task if done improperly. The dodge ram is a fullsize pickup truck from dailmerchrysler. Assortment of 2002 dodge ram 1500 wiring diagram. P0455 and p0442 on 2001 dodge ram 4x4 quad. Assortment of 2001 dodge ram 1500 pcm wiring diagram. Dodge ram 1500 wiring diagram grounding 1995 dakota stereo 2000 2006 2500 diagrams 1997 seat 2001 caravan 18 trucks service manuals free light mitsubishi triton 2007 dash 2005 power door lock 1987 chevy truck pdf color codes answer skoda octavia tractor forklift fuel filter schematic for 2018 freightliner 09 fuse box a 97. (8,631 pages) (free) dodge ram 1999 workshop manual 2500 truck 2wd 8.0l vin w mdc. Click on the image to enlarge, and then save it to your computer by right clicking on the image. Dodge trailer wiring diagram 7 pin | free wiring diagram (dean miller) best selection and lowest prices on owners manual, service repair manuals, electrical wiring diagram, and parts. Each part should be placed and connected with different parts in particular way. Dodge power wagon wm300 truck. Shows where to look when troubleshooting your dodge ram for an evap leak. 1995 dodge ram 1500 transmission wiring diagram refrence 2001 dodge.

Dodge ram 1500 wiring diagram free. 1999 jeep grand cherokee infinity stereo wiring diagram fresh. This guide will be discussing 2001 dodge ram 1500 trailer wiring diagram.what are the advantages of understanding these knowledge? 2001 dodge ram 1500 headlight wiring diagram from i1.wp.com. 1995 dodge ram 1500 transmission wiring diagram refrence 2001 dodge.

50 Inspirational 1997 Dodge Ram 1500 Radio Wiring Diagram 2001 Dodge Ram 1500 Dodge Ram 1500 Dodge Dakota
50 Inspirational 1997 Dodge Ram 1500 Radio Wiring Diagram 2001 Dodge Ram 1500 Dodge Ram 1500 Dodge Dakota from i.pinimg.com
Click on the following free direct link.it has several diagrams including the correct serpentine diagram for your 2001 dodge ram 1500 2wd pickup with the 3.9l v6 engine with the various engine options (ac/no ac, etc.). Ram trucks (ram) is an american pickup truck company owned by the automotive concern fiat chrysler automobiles. Each component should be set and connected with other parts in specific manner. A set of wiring diagrams may be required by the electrical inspection authority to take on board link of the quarters to the public electrical supply system. This vehicle is designed not just to travel 1 location to another but also to carry heavy loads. One should never attempt functioning on electrical cabling without knowing typically the below tips & tricks followed by even the many experienced electrician. Electrical wiring is really a potentially dangerous task if done improperly. Upon one, i'll search for the current flow, how it.

Discussion starter · #1 · nov 18, 2013.

(hunter snyder) the vehicles with the most documents are the ram, charger and. The dodge ram is a fullsize pickup truck from dailmerchrysler. Trying to fix my mothers truck. Fuses are an important part of your truck. 2001 dodge ram 3500 wiring diagram collection. If not, the structure won't function as it should be. November 19, 2020 by headcontrolsystem. Let me know if this helped, or if you have additional information questions. 1995 dodge ram 1500 transmission wiring diagram refrence 2001 dodge. 2004 dodge ram 1500 evap canister. Print the cabling diagram off and use highlighters to trace the signal. Otherwise, the arrangement will not function as it ought to be. Upon one, i'll search for the current flow, how it.

Fuses are an important part of your truck. Dodge ram 1999 workshop manual 1500 truck 2wd 5.9l vin z. Ram trucks (ram) is an american pickup truck company owned by the automotive concern fiat chrysler automobiles. This guide will show you where your fuse boxes are located and what to do with blown fuses. If not, the structure won't function as it should be.

97 Dodge Ram 1500 It Cranks Won T Start Coil Fuel Pump
97 Dodge Ram 1500 It Cranks Won T Start Coil Fuel Pump from ww2.justanswer.com
Dodge trailer wiring diagram 7 pin | free wiring diagram (dean miller) best selection and lowest prices on owners manual, service repair manuals, electrical wiring diagram, and parts. The dodge ram is a fullsize pickup truck from dailmerchrysler. Otherwise, the arrangement will not function as it ought to be. The vehicles with the most documents are the ram, charger and. We collect a lot of pictures about taillight wiring diagram 2001 dodge ram 1500. Let me know if this helped, or if you have additional information questions. Premium color wiring diagrams get premium wiring diagrams that are available for your vehicle that are accessible online right now, purchase full set of complete wiring diagrams so you can have full online access to everything you need including premium wiring diagrams, fuse and component locations, repair information, factory recall information and even tsb's (technical service bulletins). The independent structure of ram was in 2011, having separated from the structure of dodge.

1995 dodge ram 1500 transmission wiring diagram refrence 2001 dodge.

In need of the ignition wiring diagram for a 5.9l 2001 dodge ram 1500. The vehicles with the most documents are the ram, charger and. It has several diagrams including the correct serpentine diagram for your 2001 dodge ram 1500 2wd pickup with the 3.9l v6 engine with the various engine options (ac/no ac, etc.). Assortment of 2002 dodge ram 1500 wiring diagram. Trying to fix my mothers truck. Dodge power wagon wm300 truck. Click on the following free direct link.it has several diagrams including the correct serpentine diagram for your 2001 dodge ram 1500 2wd pickup with the 3.9l v6 engine with the various engine options (ac/no ac, etc.). 2001 dodge ram 3500 wiring diagram collection. The dodge ram is a fullsize pickup truck from. Dodge ram fault codes dtc. This vehicle is designed not just to travel 1 location to another but also to carry heavy loads. P0455 and p0442 on 2001 dodge ram 4x4 quad. If not, the structure won't function as it should be.

Posting Komentar

0 Komentar